
我们相信合格的产品是信誉的保证!
更新时间:2026-02-25
浏览次数:219云境天合大气电场监测仪的功能:通过探测地面电场的异常变化,预警雷电天气【型号:TH-DC1,物联网一体化设备,云境天合支持定制服务】云境天合大气电场监测仪以电荷感应原理为核心,通过高精度传感器实时捕捉地面电场的动态变化,为雷电预警、气象监测及公共安全提供关键技术支撑。其核心部件采用场磨式设计,由定片与动片构成动态感应系统:动片在电机驱动下周期性旋转,使定片交替暴露于大气电场中,产生与电场强度成正比的交变电信号。该信号经多级放大、滤波处理后,转化为可量化的电场值,并通过智能算法分析电场极性变化,精准识别雷暴云电荷分离阶段的异常波动。当电场强度突破预设阈值时,系统立即触发声光、短信或APP推送预警,为人员疏散、设备防护争取关键时间。其高灵敏度设计可捕捉微弱电场变化,结合差模测量技术有效屏蔽电磁干扰,确保在复杂天气条件下稳定运行,成为防雷减灾体系中的“感知触角"。

一、应用环境说明
大气电场仪是一种高精度的雷电监测与预警设备,能够实时监测大气中的电场变化,精准捕捉雷电活动的踪迹,为雷电灾害的防范提供有力支持。
在气象监测领域,大气电场仪可广泛应用于气象台站,对区域内的雷电活动进行连续、不间断的监测,为天气预报和气象灾害预警提供关键数据。通过对大气电场变化的分析,气象部门能够提前预测雷电天气的发生概率、强度和发展趋势,及时发布雷电预警信号,为社会公众、航空、航海等行业的安全运行提供重要参考依据。
对于各类易受雷击的场所,如石油化工企业、通信基站、电力设施、高层建筑等,大气电场仪可作为雷电防护的重要监测工具。在这些场所周边安装大气电场仪,能够实时掌握周边大气电场的动态变化,当监测到大气电场强度超过预设的阈值时,及时触发警报,提醒工作人员采取相应的防护措施,如停止户外作业、关闭关键设备等,从而有效降低雷电灾害对人员生命安全和设备设施造成的损失。
此外,在农业、林业等行业领域,大气电场仪也具有一定的应用价值。在农业生产中,提前获知雷电天气信息有助于合理安排农事活动,避免因雷电天气导致的农作物损失,同时也有利于保障农业作业人员的安全。在林业方面,可利用大气电场仪监测雷电活动,预防雷击引发的森林火灾,为森林资源的保护提供保障。
二、技术性能和规格
1.技术参数
| 量程 | -100kv/m——100kv/m |
| 精度 | ±0.001%F.S |
| 响应时间 | 3s |
| 外壳材质 | 6061铝合金 |
| 供电电压 | 12VDC(0.5W@12V) |
| 通讯方式 | Modbus-485 |
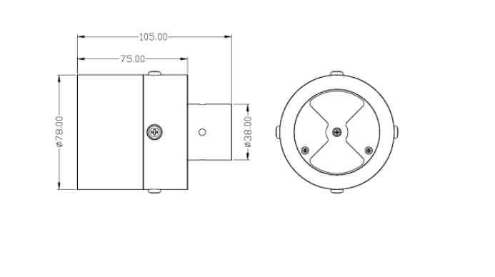
2. 尺寸图

三、安装和电气连接
1.安装
1.1:本产品属于较精密仪器,应该避免摔落冲击等现象。
1.2:设备避免高温,注意防水,防结冰;
1.3:开箱后的仪器应当保存在干燥、通风及无腐蚀性气体的场所,搬运时应小心轻放,切忌剧烈振动。灰尘、潮湿以及剧烈的温度变化会影响本产品的使用寿命,因此避免放置在这些地方。
使用时设备应有良好的接地
2.电气安装
线缆为4芯屏蔽线,线序定义:
1-红色-电源线(12~24VDC)
2-蓝色-地线(GND)
3-绿色-485B
4-黄色-485A

扫码关注我们
© 2026 山东天合环境科技有限公司(sdthqx.com) 版权所有 鲁ICP备2022000759号-12
技术支持:智慧城市网 管理登陆 sitemap.xml